轴承专区
Bearings Center
RLS 7-2Z轴承-SKF RLS 7-2Z轴承尺寸、图纸、价格
SKF RLS 7-2Z轴承
| 产品名称: | RLS 7-2Z轴承 | 品牌: | SKF |
|---|---|---|---|
| 类型: | SKF轴承 > 滚动轴承 > 深沟球轴承 | ||
| 描述: | RLS 7-2Z轴承是【SKF轴承 > 滚动轴承 > 深沟球轴承】的型号,主要用在变速器、高频马达、压缩机、前轮、破碎机、机床等的变速装置、立式电动机、破碎、压路机、正面吊等各大领域 | ||
电话/微信:138-8949-5179
SKF RLS 7-2Z轴承详细信息
RLS 7-2Z轴承是【SKF轴承 > 滚动轴承 > 深沟球轴承】的型号,主要用在变速器、高频马达、压缩机、前轮、破碎机、机床等的变速装置、立式电动机、破碎、压路机、正面吊等各大领域。
SKF RLS 7-2Z轴承详细参数
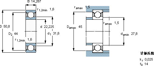
| 深沟球轴承, 单列, 两面防尘罩, 英制轴承 | |||||||||||
| 主要数据尺寸 | 基本负荷额定值 | 疲劳负荷限值 | 额定速度 | 体积 | 型号 | ||||||
| 动态 | 静态 | 参照速度 | 限制速度 | ||||||||
| d | D | B | C | C0 | Pu | ||||||
| mm | kN | kN | r/min | kg | - | ||||||
| 22,225 | 50,8 | 14,287 | 14 | 7,65 | 0,325 | 26000 | 13000 | 0,12 | RLS 7-2Z | 仅对售后市场 | |
SKF RLS 7-2Z轴承尺寸图纸

