轴承专区
Bearings Center
NUP 305 ECNP *轴承-SKF NUP 305 ECNP *轴承尺寸、图纸、价格
SKF NUP 305 ECNP *轴承
| 产品名称: | NUP 305 ECNP *轴承 | 品牌: | SKF |
|---|---|---|---|
| 类型: | SKF轴承 > 滚动轴承 > 圆柱滚子轴承 | ||
| 描述: | NUP 305 ECNP *轴承是【SKF轴承 > 滚动轴承 > 圆柱滚子轴承】的型号,主要用在装卸搬运机械、离心分离机、提升机、变速器、轧钢机齿轮箱座、石油钻机转环、矿山、饮料设备、凿岩机械、摩天轮等各大领域 | ||
电话/微信:138-8949-5179
SKF NUP 305 ECNP *轴承详细信息
NUP 305 ECNP *轴承是【SKF轴承 > 滚动轴承 > 圆柱滚子轴承】的型号,主要用在装卸搬运机械、离心分离机、提升机、变速器、轧钢机齿轮箱座、石油钻机转环、矿山、饮料设备、凿岩机械、摩天轮等各大领域。
SKF NUP 305 ECNP *轴承详细参数
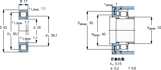
| 圆柱滚子轴承, 单列, NUP 设计, 于外圈的带止动槽 | ||||||||||||
| 主要数据尺寸 | 基本负荷额定值 | 疲劳负荷限值 | 额定速度 | 体积 | 型号 | 适宜的斜挡圈 | ||||||
| 动态 | 静态 | 参照速度 | 限制速度 | 型号 | ||||||||
| d | D | B | C | C0 | Pu | * - SKF Explorer 轴承 | ||||||
| mm | kN | kN | r/min | kg | - | - | ||||||
| 25 | 62 | 17 | 46,5 | 36,5 | 4,55 | 12000 | 15000 | 0,25 | NUP 305 ECNP * | - | ||
SKF NUP 305 ECNP *轴承尺寸图纸

