李工:138-8949-5179 刘工:135-0428-8802
型号查询
轴承型号   常见搜索: 6010轴承 6012轴承 6014轴承 7014轴承 6018轴承 6032轴承
型号查询 X

轴承专区

Bearings Center

635-2RZ *轴承-SKF 635-2RZ *轴承尺寸、图纸、价格

SKF 635-2RZ *轴承

产品名称:635-2RZ *轴承 品牌:SKF
类型:SKF轴承 > 滚动轴承 > 深沟球轴承
描述:635-2RZ *轴承是【SKF轴承 > 滚动轴承 > 深沟球轴承】的型号,主要用在内燃机、燃汽轮机、提升机、后轮、造纸机械、石油钻机、挤压机、啤酒、解体机、数控设备等各大领域

 电话/微信:138-8949-5179

SKF 635-2RZ *轴承详细信息

635-2RZ *轴承是【SKF轴承 > 滚动轴承 > 深沟球轴承】的型号,主要用在内燃机、燃汽轮机、提升机、后轮、造纸机械、石油钻机、挤压机、啤酒、解体机、数控设备等各大领域。

SKF 635-2RZ *轴承详细参数

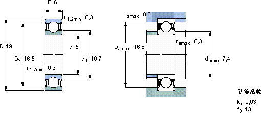
深沟球轴承, 单列, 低摩擦两面密封件
主要数据尺寸基本负荷额定值疲劳负荷限值额定速度体积型号
动态静态参照速度限制速度
dDBCC0Pu * - SKF Explorer 轴承
mmkNkNr/minkg-
51962,340,950,0480000400000,0090635-2RZ *

SKF 635-2RZ *轴承尺寸图纸

李工:138-8949-5179

刘工:135-0428-8802

地址:辽宁省大连经济技术开发区现代城3栋-13-13号

在线客服系统