李工:138-8949-5179 刘工:135-0428-8802
型号查询
轴承型号   常见搜索: 6020轴承 6011轴承 2026轴承 23136轴承 6900轴承 6006轴承
型号查询 X

轴承专区

Bearings Center

FBSA 207/ DB轴承-SKF FBSA 207/ DB轴承尺寸、图纸、价格

SKF FBSA 207/ DB轴承

产品名称:FBSA 207/ DB轴承 品牌:SKF
类型:SKF轴承 > 超高精密轴承 > Angular contact thrust ball bearings for screw drives
描述:FBSA 207/ DB轴承是【SKF轴承 > 超高精密轴承 > Angular contact thrust ball bearings for screw drives】的型号,主要用在家用电器、小型汽车前轮、桥式起重机、差速器、造纸机械、耕耘机、塔吊、化纤机械、平地机、冶金起重机等各大领域

 电话/微信:138-8949-5179

SKF FBSA 207/ DB轴承详细信息

FBSA 207/ DB轴承是【SKF轴承 > 超高精密轴承 > Angular contact thrust ball bearings for screw drives】的型号,主要用在家用电器、小型汽车前轮、桥式起重机、差速器、造纸机械、耕耘机、塔吊、化纤机械、平地机、冶金起重机等各大领域。

SKF FBSA 207/ DB轴承详细参数

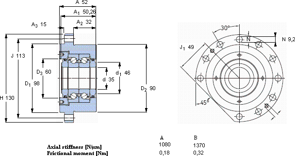
角接触推力球轴承 for screw drives, cartridge units with flanged housing
主要数据尺寸基本负荷额定值疲劳负荷限值可达到的速度体积型号
动态静态预压SKFSNFA
AB
dD2ACC0Pu
mmkNkNr/minkg-
35905236,5983,65560028003,2FBSA 207/ DBBSDU 235 DD

SKF FBSA 207/ DB轴承尺寸图纸

李工:138-8949-5179

刘工:135-0428-8802

地址:辽宁省大连经济技术开发区现代城3栋-13-13号

在线客服系统