轴承专区
Bearings Center
NJ 2219 ECP *轴承-SKF NJ 2219 ECP *轴承尺寸、图纸、价格
SKF NJ 2219 ECP *轴承
| 产品名称: | NJ 2219 ECP *轴承 | 品牌: | SKF |
|---|---|---|---|
| 类型: | SKF轴承 > 滚动轴承 > 圆柱滚子轴承 | ||
| 描述: | NJ 2219 ECP *轴承是【SKF轴承 > 滚动轴承 > 圆柱滚子轴承】的型号,主要用在农业机械、油泵、泵、机床主轴、造纸机械、起重机吊钩、钢铁厂、薄膜拉伸、强夯机、太阳能发电设备等各大领域 | ||
电话/微信:138-8949-5179
SKF NJ 2219 ECP *轴承详细信息
NJ 2219 ECP *轴承是【SKF轴承 > 滚动轴承 > 圆柱滚子轴承】的型号,主要用在农业机械、油泵、泵、机床主轴、造纸机械、起重机吊钩、钢铁厂、薄膜拉伸、强夯机、太阳能发电设备等各大领域。
SKF NJ 2219 ECP *轴承详细参数
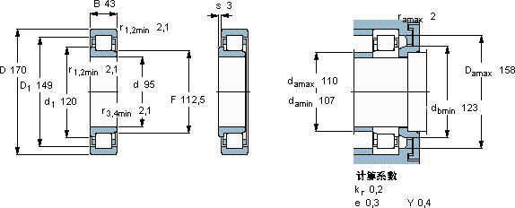
| 圆柱滚子轴承, 单列, NJ 设计 | ||||||||||||
| 主要数据尺寸 | 基本负荷额定值 | 疲劳负荷限值 | 额定速度 | 体积 | 型号 | 适宜的斜挡圈 | ||||||
| 动态 | 静态 | 参照速度 | 限制速度 | 型号 | ||||||||
| d | D | B | C | C0 | Pu | * - SKF Explorer 轴承 | ||||||
| mm | kN | kN | r/min | kg | - | - | ||||||
| 95 | 170 | 43 | 325 | 375 | 45,5 | 4300 | 4800 | 3,95 | NJ 2219 ECP * | - | ||
SKF NJ 2219 ECP *轴承尺寸图纸

