轴承专区
Bearings Center
722520 B轴承-SKF 722520 B轴承尺寸、图纸、价格
SKF 722520 B轴承
| 产品名称: | 722520 B轴承 | 品牌: | SKF |
|---|---|---|---|
| 类型: | SKF轴承 > 轴承座 > 7225(00)系列法兰轴承座 | ||
| 描述: | 722520 B轴承是【SKF轴承 > 轴承座 > 7225(00)系列法兰轴承座】的型号,主要用在燃汽轮机、离心分离机、挖土机履带轮、变速器、破碎机、石油钻机转环、电机厂、饮料设备、凿岩机械、抓钢机等各大领域 | ||
电话/微信:138-8949-5179
SKF 722520 B轴承详细信息
722520 B轴承是【SKF轴承 > 轴承座 > 7225(00)系列法兰轴承座】的型号,主要用在燃汽轮机、离心分离机、挖土机履带轮、变速器、破碎机、石油钻机转环、电机厂、饮料设备、凿岩机械、抓钢机等各大领域。
SKF 722520 B轴承详细参数
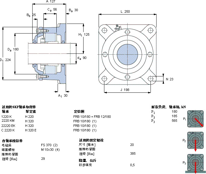
| 法兰式轴承座, 7225(00) 用于紧定套安装轴承 | |||||||||||
| 轴 | 适宜的轴承 | 轴承座 | |||||||||
| (基本型号) | 主要数据尺寸 | 体积 | 型号 | ||||||||
| 自调心球 | 球面滚子 | CARB | 轴承座与 | ||||||||
| da | 轴承 | 轴承 | 轴承 | A | L | H | H1 | 毛毡密封件 | |||
| mm | mm | kg | - | ||||||||
| 90 | 1220 K | 2220 K | 22220 K | C 2220 K | 127 | 250 | 250 | 125 | 18,0 | 722520 B | |
SKF 722520 B轴承尺寸图纸

