轴承专区
Bearings Center
6315/C3VL0241轴承-SKF 6315/C3VL0241轴承尺寸、图纸、价格
SKF 6315/C3VL0241轴承
| 产品名称: | 6315/C3VL0241轴承 | 品牌: | SKF |
|---|---|---|---|
| 类型: | SKF轴承 > 滚动轴承 > 工程产品 | ||
| 描述: | 6315/C3VL0241轴承是【SKF轴承 > 滚动轴承 > 工程产品】的型号,主要用在通用电动机、罗茨鼓风机、变速器、建筑机械、各类产业用减速机、石油钻机转环、轧钢机轧制螺杆用减速机、薄膜拉伸、凿岩机械、机场加油机等各大领域 | ||
电话/微信:138-8949-5179
SKF 6315/C3VL0241轴承详细信息
6315/C3VL0241轴承是【SKF轴承 > 滚动轴承 > 工程产品】的型号,主要用在通用电动机、罗茨鼓风机、变速器、建筑机械、各类产业用减速机、石油钻机转环、轧钢机轧制螺杆用减速机、薄膜拉伸、凿岩机械、机场加油机等各大领域。
SKF 6315/C3VL0241轴承详细参数
| 深沟球轴承, 单列,INSOCOAT | ||||||||||
| 主要数据尺寸 | 基本负荷额定值 | 疲劳负荷限值 | 额定速度 | 体积 | 型号 | |||||
| 动态 | 静态 | 参照速度 | 限制速度 | |||||||
| d | D | B | C | C0 | Pu | |||||
| mm | kN | kN | r/min | kg | - | |||||
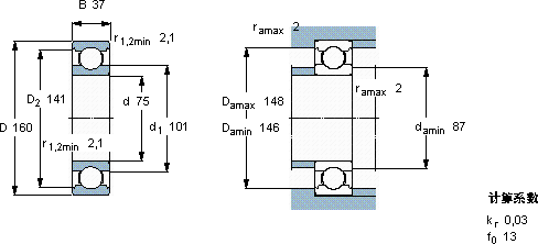
| 75 | 160 | 37 | 119 | 76,5 | 3 | 9000 | 5600 | 3,05 | 6315/C3VL0241 | |
SKF 6315/C3VL0241轴承尺寸图纸

