李工:138-8949-5179 刘工:135-0428-8802
型号查询
轴承型号   常见搜索: 6214轴承 71913轴承 6005轴承 7014轴承 688a轴承 6011轴承
型号查询 X

轴承专区

Bearings Center

239/600 CAK/W33 + OH 39/600 H *轴承-SKF 239/600 CAK/W33 + OH 39/600 H *轴承尺寸、图纸、价格

SKF 239/600 CAK/W33 + OH 39/600 H *轴承

产品名称:239/600 CAK/W33 + OH 39/600 H *轴承 品牌:SKF
类型:SKF轴承 > 滚动轴承 > 球面滚子轴承
描述:239/600 CAK/W33 + OH 39/600 H *轴承是【SKF轴承 > 滚动轴承 > 球面滚子轴承】的型号,主要用在电气装置部件、油泵、燃汽轮机、机床主轴、木工机械、石油钻机、船舶用螺旋桨轴、薄膜拉伸、给料机械、摩天轮等各大领域

 电话/微信:138-8949-5179

SKF 239/600 CAK/W33 + OH 39/600 H *轴承详细信息

239/600 CAK/W33 + OH 39/600 H *轴承是【SKF轴承 > 滚动轴承 > 球面滚子轴承】的型号,主要用在电气装置部件、油泵、燃汽轮机、机床主轴、木工机械、石油钻机、船舶用螺旋桨轴、薄膜拉伸、给料机械、摩天轮等各大领域。

SKF 239/600 CAK/W33 + OH 39/600 H *轴承详细参数

球面滚子轴承, 带紧定套的
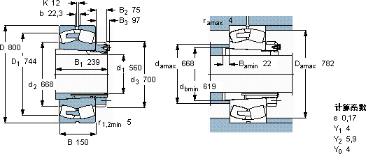
主要数据尺寸基本负荷额定值疲劳负荷限值额定速度体积型号
动态静态参照速度限制速度轴承 + 紧定套
d1DBCC0Pu
* - SKF Explorer 轴承
mmkNkNr/minkg-
56080015039008300585430750330239/600 CAK/W33 + OH 39/600 H *

SKF 239/600 CAK/W33 + OH 39/600 H *轴承尺寸图纸

李工:138-8949-5179

刘工:135-0428-8802

地址:辽宁省大连经济技术开发区现代城3栋-13-13号

在线客服系统