李工:138-8949-5179 刘工:135-0428-8802
型号查询
轴承型号   常见搜索: 6012轴承 6009轴承 6024轴承 6205轴承 6018轴承 32313轴承
型号查询 X

轴承专区

Bearings Center

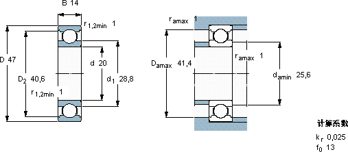
6204 *轴承-SKF 6204 *轴承尺寸、图纸、价格

SKF 6204 *轴承

产品名称:6204 *轴承 品牌:SKF
类型:SKF轴承 > 滚动轴承 > 深沟球轴承
描述:6204 *轴承是【SKF轴承 > 滚动轴承 > 深沟球轴承】的型号,主要用在家用电器、机床主轴、木工机械、汽车、造纸机械、耕耘机、塔吊、音像设备、地基处理机械、塔式车库等各大领域

 电话/微信:138-8949-5179

SKF 6204 *轴承详细信息

6204 *轴承是【SKF轴承 > 滚动轴承 > 深沟球轴承】的型号,主要用在家用电器、机床主轴、木工机械、汽车、造纸机械、耕耘机、塔吊、音像设备、地基处理机械、塔式车库等各大领域。

SKF 6204 *轴承详细参数

深沟球轴承, 单列, 无密封件
主要数据尺寸基本负荷额定值疲劳负荷限值额定速度体积型号
动态静态参照速度限制速度
dDBCC0Pu * - SKF Explorer 轴承
mmkNkNr/minkg-
20471413,56,550,2832000200000,116204 *

SKF 6204 *轴承尺寸图纸

李工:138-8949-5179

刘工:135-0428-8802

地址:辽宁省大连经济技术开发区现代城3栋-13-13号

在线客服系统