李工:138-8949-5179 刘工:135-0428-8802
型号查询
轴承型号   常见搜索: 6024轴承 *轴承 6018轴承 6010轴承 6007轴承 6205轴承
型号查询 X

轴承专区

Bearings Center

7322 BEGBM轴承-SKF 7322 BEGBM轴承尺寸、图纸、价格

SKF 7322 BEGBM轴承

产品名称:7322 BEGBM轴承 品牌:SKF
类型:SKF轴承 > 滚动轴承 > 角接触球轴承
描述:7322 BEGBM轴承是【SKF轴承 > 滚动轴承 > 角接触球轴承】的型号,主要用在飞机喷气式发动机、小型汽车前轮、减速装置、差速器、铁路车辆车轴、汽车转向销、燃机、制鞋、掘进机、厨具设备等各大领域

 电话/微信:138-8949-5179

SKF 7322 BEGBM轴承详细信息

7322 BEGBM轴承是【SKF轴承 > 滚动轴承 > 角接触球轴承】的型号,主要用在飞机喷气式发动机、小型汽车前轮、减速装置、差速器、铁路车辆车轴、汽车转向销、燃机、制鞋、掘进机、厨具设备等各大领域。

SKF 7322 BEGBM轴承详细参数

角接触球轴承, 单列
主要数据尺寸尺寸 [英寸]疲劳负荷限值额定速度体积型号
动态静态参照速度限制速度
dDBCC0Pu
mmkNkNr/minkg-
110240502252247,23200340010,77322 BEGBM

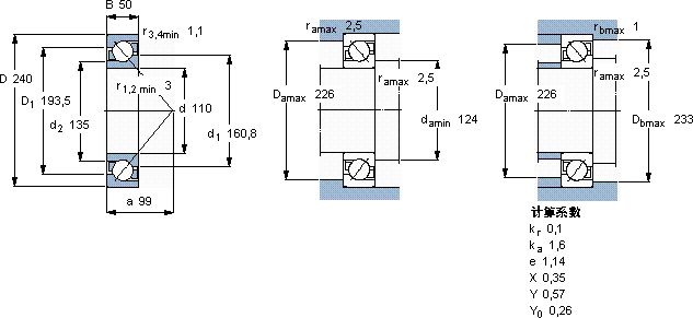
SKF 7322 BEGBM轴承尺寸图纸

李工:138-8949-5179

刘工:135-0428-8802

地址:辽宁省大连经济技术开发区现代城3栋-13-13号

在线客服系统