轴承专区
Bearings Center
63005-2RS1轴承-SKF 63005-2RS1轴承尺寸、图纸、价格
SKF 63005-2RS1轴承
| 产品名称: | 63005-2RS1轴承 | 品牌: | SKF |
|---|---|---|---|
| 类型: | SKF轴承 > 滚动轴承 > 深沟球轴承 | ||
| 描述: | 63005-2RS1轴承是【SKF轴承 > 滚动轴承 > 深沟球轴承】的型号,主要用在通用电动机、差速器小齿轮轴、中型及大型电动机、小齿轮轴、减速装置、机床等的变速装置、轧钢机轧制螺杆用减速机、医药设备、压路机、刮泥机等各大领域 | ||
电话/微信:138-8949-5179
SKF 63005-2RS1轴承详细信息
63005-2RS1轴承是【SKF轴承 > 滚动轴承 > 深沟球轴承】的型号,主要用在通用电动机、差速器小齿轮轴、中型及大型电动机、小齿轮轴、减速装置、机床等的变速装置、轧钢机轧制螺杆用减速机、医药设备、压路机、刮泥机等各大领域。
SKF 63005-2RS1轴承详细参数
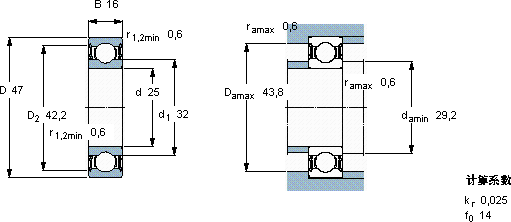
| 深沟球轴承, 单列, 两面密封件 | |||||||||||
| 主要数据尺寸 | 基本负荷额定值 | 疲劳负荷限值 | 额定速度 | 体积 | 型号 | ||||||
| 动态 | 静态 | 参照速度 | 限制速度 | ||||||||
| d | D | B | C | C0 | Pu | ||||||
| mm | kN | kN | r/min | kg | - | ||||||
| 25 | 47 | 16 | 11,2 | 6,55 | 0,275 | - | 9500 | 0,10 | 63005-2RS1 | ||
SKF 63005-2RS1轴承尺寸图纸

