轴承专区
Bearings Center
QJ 1060 MA轴承-SKF QJ 1060 MA轴承尺寸、图纸、价格
SKF QJ 1060 MA轴承
| 产品名称: | QJ 1060 MA轴承 | 品牌: | SKF |
|---|---|---|---|
| 类型: | SKF轴承 > 滚动轴承 > 角接触球轴承 | ||
| 描述: | QJ 1060 MA轴承是【SKF轴承 > 滚动轴承 > 角接触球轴承】的型号,主要用在家用电器、燃汽轮机、发电机、后轮、振动筛、石油钻机、塔吊、音像设备、给料机械、雷达等各大领域 | ||
电话/微信:138-8949-5179
SKF QJ 1060 MA轴承详细信息
QJ 1060 MA轴承是【SKF轴承 > 滚动轴承 > 角接触球轴承】的型号,主要用在家用电器、燃汽轮机、发电机、后轮、振动筛、石油钻机、塔吊、音像设备、给料机械、雷达等各大领域。
SKF QJ 1060 MA轴承详细参数
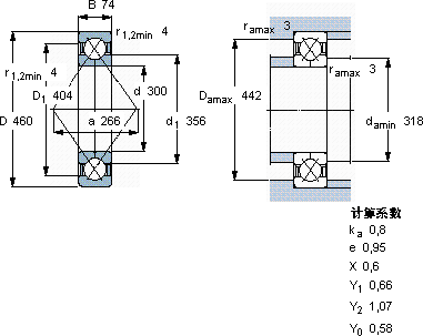
| 角接触球轴承, 四点接触球轴承 | ||||||||||
| 主要数据尺寸 | 基本负荷额定值 | 疲劳负荷限值 | 额定速度 | 体积 | 型号 | |||||
| 动态 | 静态 | 参照速度 | 限制速度 | |||||||
| d | D | B | C | C0 | Pu | |||||
| mm | kN | kN | r/min | kg | - | |||||
| 300 | 460 | 74 | 650 | 1340 | 29 | 1300 | 2200 | 47,5 | QJ 1060 MA | |
SKF QJ 1060 MA轴承尺寸图纸

