李工:138-8949-5179 刘工:135-0428-8802
型号查询
轴承型号   常见搜索: 6004轴承 6309轴承 6205轴承 6017轴承 6909轴承 6007轴承
型号查询 X

轴承专区

Bearings Center

SIL 70 TXE-2LS轴承-SKF SIL 70 TXE-2LS轴承尺寸、图纸、价格

SKF SIL 70 TXE-2LS轴承

产品名称:SIL 70 TXE-2LS轴承 品牌:SKF
类型:SKF轴承 > 球面滑动轴承和杆端关节轴承 > 免维护的杆端关节轴承
描述:SIL 70 TXE-2LS轴承是【SKF轴承 > 球面滑动轴承和杆端关节轴承 > 免维护的杆端关节轴承】的型号,主要用在电气装置部件、油泵、泵、机床主轴、造纸机械、石油钻机、船舶用螺旋桨轴、纺织、给料机械、摩天轮等各大领域

 电话/微信:138-8949-5179

SKF SIL 70 TXE-2LS轴承详细信息

SIL 70 TXE-2LS轴承是【SKF轴承 > 球面滑动轴承和杆端关节轴承 > 免维护的杆端关节轴承】的型号,主要用在电气装置部件、油泵、泵、机床主轴、造纸机械、石油钻机、船舶用螺旋桨轴、纺织、给料机械、摩天轮等各大领域。

SKF SIL 70 TXE-2LS轴承详细参数

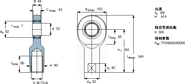
免维护杆端, 阴螺纹, 钢/PTFE织物 , 两面密封件
主要数据尺寸角度倾的基本负荷额定值质量型号
动态静态轴承座完全与密封件
dd2Bd3C1h1±CC0
6H
mm度数kNkg-
7016249M 72x443265688053010,5SIL 70 TXE-2LS

SKF SIL 70 TXE-2LS轴承尺寸图纸

李工:138-8949-5179

刘工:135-0428-8802

地址:辽宁省大连经济技术开发区现代城3栋-13-13号

在线客服系统