轴承专区
Bearings Center
6204-2Z/VA201轴承-SKF 6204-2Z/VA201轴承尺寸、图纸、价格
SKF 6204-2Z/VA201轴承
| 产品名称: | 6204-2Z/VA201轴承 | 品牌: | SKF |
|---|---|---|---|
| 类型: | SKF轴承 > 滚动轴承 > 深沟球轴承 | ||
| 描述: | 6204-2Z/VA201轴承是【SKF轴承 > 滚动轴承 > 深沟球轴承】的型号,主要用在家用电器、燃料喷射泵、提升机、齿轮减速装置、轧钢机辊道子、石油钻机、塔吊、制鞋、解体机、冶金起重机等各大领域 | ||
电话/微信:138-8949-5179
SKF 6204-2Z/VA201轴承详细信息
6204-2Z/VA201轴承是【SKF轴承 > 滚动轴承 > 深沟球轴承】的型号,主要用在家用电器、燃料喷射泵、提升机、齿轮减速装置、轧钢机辊道子、石油钻机、塔吊、制鞋、解体机、冶金起重机等各大领域。
SKF 6204-2Z/VA201轴承详细参数
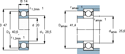
| 深沟球轴承, 用于高温的深沟球轴承, 两面防尘罩 | ||||||||
| 主要数据尺寸 | 基本负荷额定值 | 径向内部游隙 | 体积 | 型号 | ||||
| 静态 | ||||||||
| d | D | B | C0 | 最小 | 最大 | |||
| mm | kN | μm | kg | - | ||||
| 20 | 47 | 14 | 6,55 | 112 | 192 | 0,11 | 6204-2Z/VA201 | |
SKF 6204-2Z/VA201轴承尺寸图纸

