轴承专区
Bearings Center
RMS 8轴承-SKF RMS 8轴承尺寸、图纸、价格
SKF RMS 8轴承
| 产品名称: | RMS 8轴承 | 品牌: | SKF |
|---|---|---|---|
| 类型: | SKF轴承 > 滚动轴承 > 深沟球轴承 | ||
| 描述: | RMS 8轴承是【SKF轴承 > 滚动轴承 > 深沟球轴承】的型号,主要用在燃汽轮机、差速器小齿轮轴、木工机械、小齿轮轴、破碎机、机床等的变速装置、电机厂、玩具、工程船舶、数控设备等各大领域 | ||
电话/微信:138-8949-5179
SKF RMS 8轴承详细信息
RMS 8轴承是【SKF轴承 > 滚动轴承 > 深沟球轴承】的型号,主要用在燃汽轮机、差速器小齿轮轴、木工机械、小齿轮轴、破碎机、机床等的变速装置、电机厂、玩具、工程船舶、数控设备等各大领域。
SKF RMS 8轴承详细参数
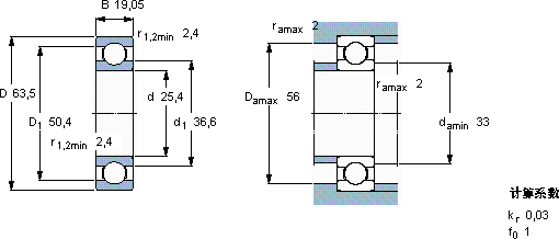
| 深沟球轴承, 单列, 无密封件,带英制尺寸 | |||||||||||
| 主要数据尺寸 | 基本负荷额定值 | 疲劳负荷限值 | 额定速度 | 体积 | 型号 | ||||||
| 动态 | 静态 | 参照速度 | 限制速度 | ||||||||
| d | D | B | C | C0 | Pu | ||||||
| mm | kN | kN | r/min | kg | - | ||||||
| 25,4 | 63,5 | 19,05 | 22,5 | 11,6 | 0,49 | 22000 | 16000 | 0,23 | RMS 8 | 仅对售后市场 | |
SKF RMS 8轴承尺寸图纸

