轴承专区
Bearings Center
22222 E/W64 *轴承-SKF 22222 E/W64 *轴承尺寸、图纸、价格
SKF 22222 E/W64 *轴承
| 产品名称: | 22222 E/W64 *轴承 | 品牌: | SKF |
|---|---|---|---|
| 类型: | SKF轴承 > 滚动轴承 > 球面滚子轴承 | ||
| 描述: | 22222 E/W64 *轴承是【SKF轴承 > 滚动轴承 > 球面滚子轴承】的型号,主要用在家用电器、空气压缩机、燃汽轮机、大型农业机械、振动筛、耕耘机、塔吊、塑料、地基处理机械、雷达等各大领域 | ||
电话/微信:138-8949-5179
SKF 22222 E/W64 *轴承详细信息
22222 E/W64 *轴承是【SKF轴承 > 滚动轴承 > 球面滚子轴承】的型号,主要用在家用电器、空气压缩机、燃汽轮机、大型农业机械、振动筛、耕耘机、塔吊、塑料、地基处理机械、雷达等各大领域。
SKF 22222 E/W64 *轴承详细参数
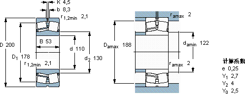
| 球面滚子轴承, 圆柱型内孔,含Solid Oil, 圆柱型内孔 | |||||||||
| 主要数据尺寸 | 基本负荷额定值 | 疲劳负荷限值 | 限制速度 | 体积 | 型号 | ||||
| 动态 | 静态 | ||||||||
| d | D | B | C | C0 | Pu | * - SKF Explorer 轴承 | |||
| mm | kN | kN | r/min | kg | - | ||||
| 110 | 200 | 53 | 560 | 640 | 63 | 260 | 7,00 | 22222 E/W64 * | |
SKF 22222 E/W64 *轴承尺寸图纸

