轴承专区
Bearings Center
61812轴承-SKF 61812轴承尺寸、图纸、价格
SKF 61812轴承
| 产品名称: | 61812轴承 | 品牌: | SKF |
|---|---|---|---|
| 类型: | SKF轴承 > 滚动轴承 > 深沟球轴承 | ||
| 描述: | 61812轴承是【SKF轴承 > 滚动轴承 > 深沟球轴承】的型号,主要用在电气装置部件、机床主轴、燃汽轮机、汽车、轧钢机辊道子、耕耘机、船舶用螺旋桨轴、陶瓷机械、平地机、摩天轮等各大领域 | ||
电话/微信:138-8949-5179
SKF 61812轴承详细信息
61812轴承是【SKF轴承 > 滚动轴承 > 深沟球轴承】的型号,主要用在电气装置部件、机床主轴、燃汽轮机、汽车、轧钢机辊道子、耕耘机、船舶用螺旋桨轴、陶瓷机械、平地机、摩天轮等各大领域。
SKF 61812轴承详细参数
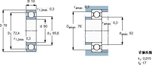
| 深沟球轴承, 单列, 无密封件 | |||||||||||
| 主要数据尺寸 | 基本负荷额定值 | 疲劳负荷限值 | 额定速度 | 体积 | 型号 | ||||||
| 动态 | 静态 | 参照速度 | 限制速度 | ||||||||
| d | D | B | C | C0 | Pu | ||||||
| mm | kN | kN | r/min | kg | - | ||||||
| 60 | 78 | 10 | 11,9 | 11,4 | 0,49 | 17000 | 11000 | 0,11 | 61812 | ||
SKF 61812轴承尺寸图纸

