轴承专区
Bearings Center
61902-2RZ轴承-SKF 61902-2RZ轴承尺寸、图纸、价格
SKF 61902-2RZ轴承
| 产品名称: | 61902-2RZ轴承 | 品牌: | SKF |
|---|---|---|---|
| 类型: | SKF轴承 > 滚动轴承 > 深沟球轴承 | ||
| 描述: | 61902-2RZ轴承是【SKF轴承 > 滚动轴承 > 深沟球轴承】的型号,主要用在飞机喷气式发动机、油泵、纺织机械传动轴、机床主轴、造纸机械、石油钻机、燃机、化纤机械、解体机、坦克等各大领域 | ||
电话/微信:138-8949-5179
SKF 61902-2RZ轴承详细信息
61902-2RZ轴承是【SKF轴承 > 滚动轴承 > 深沟球轴承】的型号,主要用在飞机喷气式发动机、油泵、纺织机械传动轴、机床主轴、造纸机械、石油钻机、燃机、化纤机械、解体机、坦克等各大领域。
SKF 61902-2RZ轴承详细参数
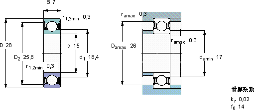
| 深沟球轴承, 单列, 低摩擦两面密封件 | |||||||||||
| 主要数据尺寸 | 基本负荷额定值 | 疲劳负荷限值 | 额定速度 | 体积 | 型号 | ||||||
| 动态 | 静态 | 参照速度 | 限制速度 | ||||||||
| d | D | B | C | C0 | Pu | ||||||
| mm | kN | kN | r/min | kg | - | ||||||
| 15 | 28 | 7 | 4,36 | 2,24 | 0,095 | 56000 | 28000 | 0,016 | 61902-2RZ | ||
SKF 61902-2RZ轴承尺寸图纸

