轴承专区
Bearings Center
23996 CA/W33 *轴承-SKF 23996 CA/W33 *轴承尺寸、图纸、价格
SKF 23996 CA/W33 *轴承
| 产品名称: | 23996 CA/W33 *轴承 | 品牌: | SKF |
|---|---|---|---|
| 类型: | SKF轴承 > 滚动轴承 > 球面滚子轴承 | ||
| 描述: | 23996 CA/W33 *轴承是【SKF轴承 > 滚动轴承 > 球面滚子轴承】的型号,主要用在电气装置部件、空气压缩机、纺织机械传动轴、大型农业机械、铁路车辆车轴、耕耘机、船舶用螺旋桨轴、钟表、平地机、风力发电设备等各大领域 | ||
电话/微信:138-8949-5179
SKF 23996 CA/W33 *轴承详细信息
23996 CA/W33 *轴承是【SKF轴承 > 滚动轴承 > 球面滚子轴承】的型号,主要用在电气装置部件、空气压缩机、纺织机械传动轴、大型农业机械、铁路车辆车轴、耕耘机、船舶用螺旋桨轴、钟表、平地机、风力发电设备等各大领域。
SKF 23996 CA/W33 *轴承详细参数
| 球面滚子轴承, 圆柱和圆锥孔, 圆柱型内孔, 无密封件 | ||||||||||
| 主要数据尺寸 | 基本负荷额定值 | 疲劳负荷限值 | 额定速度 | 体积 | 型号 | |||||
| 动态 | 静态 | 参照速度 | 限制速度 | |||||||
| d | D | B | C | C0 | Pu | * - SKF Explorer 轴承 | ||||
| mm | kN | kN | r/min | kg | - | |||||
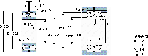
| 480 | 650 | 128 | 2900 | 5700 | 405 | 560 | 1000 | 125 | 23996 CA/W33 * | |
SKF 23996 CA/W33 *轴承尺寸图纸

