李工:138-8949-5179 刘工:135-0428-8802
型号查询
轴承型号   常见搜索: 6309轴承 2026轴承 6017轴承 6305轴承 6006轴承 6008轴承
型号查询 X

轴承专区

Bearings Center

2 x 708/500 AGMB轴承-SKF 2 x 708/500 AGMB轴承尺寸、图纸、价格

SKF 2 x 708/500 AGMB轴承

产品名称:2 x 708/500 AGMB轴承 品牌:SKF
类型:SKF轴承 > 滚动轴承 > 角接触球轴承
描述:2 x 708/500 AGMB轴承是【SKF轴承 > 滚动轴承 > 角接触球轴承】的型号,主要用在电气装置部件、油泵、变速器、机床主轴、铁路车辆车轴、石油钻机、船舶用螺旋桨轴、化纤机械、给料机械、摩天轮等各大领域

 电话/微信:138-8949-5179

SKF 2 x 708/500 AGMB轴承详细信息

2 x 708/500 AGMB轴承是【SKF轴承 > 滚动轴承 > 角接触球轴承】的型号,主要用在电气装置部件、油泵、变速器、机床主轴、铁路车辆车轴、石油钻机、船舶用螺旋桨轴、化纤机械、给料机械、摩天轮等各大领域。

SKF 2 x 708/500 AGMB轴承详细参数

角接触球轴承, 单列,用于配对安装, 前后配对
主要数据尺寸基本负荷额定值疲劳负荷限值额定速度体积型号轴承配对
动态静态参照速度限制速度
dD2BCC0Pu
mmkNkNr/minkg--
50062074442122022800100054,02 × 708/500 AGMBDT

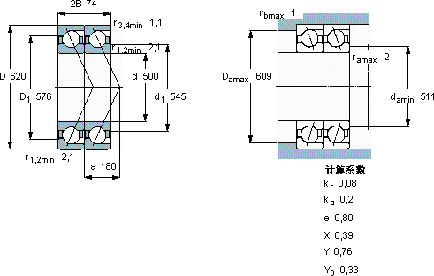
SKF 2 x 708/500 AGMB轴承尺寸图纸

李工:138-8949-5179

刘工:135-0428-8802

地址:辽宁省大连经济技术开发区现代城3栋-13-13号

在线客服系统