轴承专区
Bearings Center
61836轴承-SKF 61836轴承尺寸、图纸、价格
SKF 61836轴承
| 产品名称: | 61836轴承 | 品牌: | SKF |
|---|---|---|---|
| 类型: | SKF轴承 > 滚动轴承 > 深沟球轴承 | ||
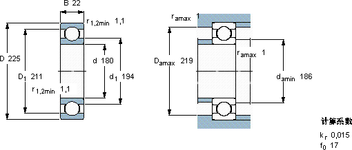
| 描述: | 61836轴承是【SKF轴承 > 滚动轴承 > 深沟球轴承】的型号,主要用在装卸搬运机械、离心分离机、变速器、变速器、各类产业用减速机、石油钻机转环、矿山、纺织、轻工机械、摩天轮等各大领域 | ||
电话/微信:138-8949-5179
SKF 61836轴承详细信息
61836轴承是【SKF轴承 > 滚动轴承 > 深沟球轴承】的型号,主要用在装卸搬运机械、离心分离机、变速器、变速器、各类产业用减速机、石油钻机转环、矿山、纺织、轻工机械、摩天轮等各大领域。
SKF 61836轴承详细参数
| 深沟球轴承, 单列, 无密封件 | |||||||||||
| 主要数据尺寸 | 基本负荷额定值 | 疲劳负荷限值 | 额定速度 | 体积 | 型号 | ||||||
| 动态 | 静态 | 参照速度 | 限制速度 | ||||||||
| d | D | B | C | C0 | Pu | ||||||
| mm | kN | kN | r/min | kg | - | ||||||
| 180 | 225 | 22 | 62,4 | 81,5 | 2,45 | 5600 | 3400 | 2,00 | 61836 | ||
SKF 61836轴承尺寸图纸

