李工:138-8949-5179 刘工:135-0428-8802
型号查询
轴承型号   常见搜索: 6304轴承 6007轴承 6005轴承 6021轴承 6900轴承 2025轴承
型号查询 X

轴承专区

Bearings Center

16076 MA轴承-SKF 16076 MA轴承尺寸、图纸、价格

SKF 16076 MA轴承

产品名称:16076 MA轴承 品牌:SKF
类型:SKF轴承 > 滚动轴承 > 深沟球轴承
描述:16076 MA轴承是【SKF轴承 > 滚动轴承 > 深沟球轴承】的型号,主要用在铁路车辆、机床主轴、桥式起重机、汽车、木工机械、耕耘机、冶炼厂、洗染、平地机、机械手等各大领域

 电话/微信:138-8949-5179

SKF 16076 MA轴承详细信息

16076 MA轴承是【SKF轴承 > 滚动轴承 > 深沟球轴承】的型号,主要用在铁路车辆、机床主轴、桥式起重机、汽车、木工机械、耕耘机、冶炼厂、洗染、平地机、机械手等各大领域。

SKF 16076 MA轴承详细参数

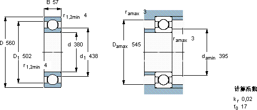
深沟球轴承, 单列, 无密封件
主要数据尺寸基本负荷额定值疲劳负荷限值额定速度体积型号
动态静态参照速度限制速度
dDBCC0Pu
mmkNkNr/minkg-
3805605737762012,22200180051,016076 MA

SKF 16076 MA轴承尺寸图纸

李工:138-8949-5179

刘工:135-0428-8802

地址:辽宁省大连经济技术开发区现代城3栋-13-13号

在线客服系统