轴承专区
Bearings Center
NKXR 30 Z轴承-SKF NKXR 30 Z轴承尺寸、图纸、价格
SKF NKXR 30 Z轴承
| 产品名称: | NKXR 30 Z轴承 | 品牌: | SKF |
|---|---|---|---|
| 类型: | SKF轴承 > 滚动轴承 > 组合滚针轴承 | ||
| 描述: | NKXR 30 Z轴承是【SKF轴承 > 滚动轴承 > 组合滚针轴承】的型号,主要用在各种产业机械、高频马达、变速器、前轮、印刷机械、机床主轴、发电厂、制鞋、挖掘机、冶金起重机等各大领域 | ||
电话/微信:138-8949-5179
SKF NKXR 30 Z轴承详细信息
NKXR 30 Z轴承是【SKF轴承 > 滚动轴承 > 组合滚针轴承】的型号,主要用在各种产业机械、高频马达、变速器、前轮、印刷机械、机床主轴、发电厂、制鞋、挖掘机、冶金起重机等各大领域。
SKF NKXR 30 Z轴承详细参数
| 组合式滚针轴承, 滚针/圆柱滚子推力轴承 | ||||||||||||||
| 主要数据尺寸 | 基本负荷额定值 | 疲劳负荷限值 | 最小负荷系数 | 额定速度 | 体积 | 型号 | ||||||||
| 径向 | 轴向 | 参照速度 | 限制速度 | |||||||||||
| 动态 | 静态 | 动态 | 静态 | 径向 | 轴向 | |||||||||
| Fw | D | C | C | C0 | C | C0 | Pu | Pu | A | |||||
| mm | kN | kN | - | r/min | kg | - | ||||||||
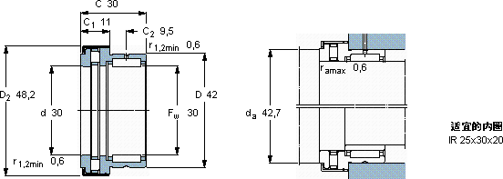
| 30 | 42 | 30 | 22,9 | 39 | 27 | 78 | 4,8 | 7,65 | 0,00049 | 3000 | 6000 | 0,14 | NKXR 30 Z | |
SKF NKXR 30 Z轴承尺寸图纸

