轴承专区
Bearings Center
BS2B 243266轴承-SKF BS2B 243266轴承尺寸、图纸、价格
SKF BS2B 243266轴承
| 产品名称: | BS2B 243266轴承 | 品牌: | SKF |
|---|---|---|---|
| 类型: | SKF轴承 > 滚动轴承 > 球面滚子轴承 | ||
| 描述: | BS2B 243266轴承是【SKF轴承 > 滚动轴承 > 球面滚子轴承】的型号,主要用在建筑机械、差速器小齿轮轴、燃汽轮机、小齿轮轴、印刷机械、机床等的变速装置、成形机、饮料设备、压路机、焊接机器人等各大领域 | ||
电话/微信:138-8949-5179
SKF BS2B 243266轴承详细信息
BS2B 243266轴承是【SKF轴承 > 滚动轴承 > 球面滚子轴承】的型号,主要用在建筑机械、差速器小齿轮轴、燃汽轮机、小齿轮轴、印刷机械、机床等的变速装置、成形机、饮料设备、压路机、焊接机器人等各大领域。
SKF BS2B 243266轴承详细参数
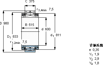
| 球面滚子轴承, 剖分式 | |||||||||
| 主要数据尺寸 | 基本负荷额定值 | 疲劳负荷限值 | 体积 | 型号 | |||||
| 动态 | 静态 | ||||||||
| d | D | B | C | C | C0 | Pu | |||
| mm | kN | kN | kg | - | |||||
| 600 | 980 | 515 | 375 | 10400 | 21600 | 1320 | 1350 | BS2B 243266 | |
SKF BS2B 243266轴承尺寸图纸

