轴承专区
Bearings Center
360476 A轴承-SKF 360476 A轴承尺寸、图纸、价格
SKF 360476 A轴承
| 产品名称: | 360476 A轴承 | 品牌: | SKF |
|---|---|---|---|
| 类型: | SKF轴承 > 滚动轴承 > 深沟球轴承 | ||
| 描述: | 360476 A轴承是【SKF轴承 > 滚动轴承 > 深沟球轴承】的型号,主要用在电气装置部件、机床主轴、泵、汽车、轧钢机辊道子、汽车转向销、船舶用螺旋桨轴、烟草机械、掘进机、摩天轮等各大领域 | ||
电话/微信:138-8949-5179
SKF 360476 A轴承详细信息
360476 A轴承是【SKF轴承 > 滚动轴承 > 深沟球轴承】的型号,主要用在电气装置部件、机床主轴、泵、汽车、轧钢机辊道子、汽车转向销、船舶用螺旋桨轴、烟草机械、掘进机、摩天轮等各大领域。
SKF 360476 A轴承详细参数
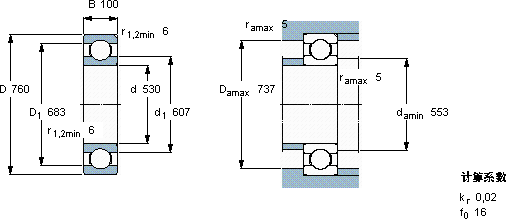
| 深沟球轴承, 单列, 于外圈的一个带定位槽 | |||||||||||
| 主要数据尺寸 | 基本负荷额定值 | 疲劳负荷限值 | 额定速度 | 体积 | 型号 | ||||||
| 动态 | 静态 | 参照速度 | 限制速度 | ||||||||
| d | D | B | C | C0 | Pu | ||||||
| mm | kN | kN | r/min | kg | - | ||||||
| 530 | 760 | 100 | 585 | 1120 | 18,6 | 1500 | 1300 | 150 | 360476 A | ||
SKF 360476 A轴承尺寸图纸

