轴承专区
Bearings Center
YAT 209-111轴承-SKF YAT 209-111轴承尺寸、图纸、价格
SKF YAT 209-111轴承
| 产品名称: | YAT 209-111轴承 | 品牌: | SKF |
|---|---|---|---|
| 类型: | SKF轴承 > 滚动轴承 > Y-轴承 | ||
| 描述: | YAT 209-111轴承是【SKF轴承 > 滚动轴承 > Y-轴承】的型号,主要用在各种产业机械、各类变速器、减速装置、铁路车辆、印刷机械、机床等的变速装置、发电厂、洗染、工程船舶、塔式车库等各大领域 | ||
电话/微信:138-8949-5179
SKF YAT 209-111轴承详细信息
YAT 209-111轴承是【SKF轴承 > 滚动轴承 > Y-轴承】的型号,主要用在各种产业机械、各类变速器、减速装置、铁路车辆、印刷机械、机床等的变速装置、发电厂、洗染、工程船舶、塔式车库等各大领域。
SKF YAT 209-111轴承详细参数
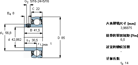
| Y-轴承, 带平头螺钉锁定的, YAT 2 | ||||||||||
| 主要数据尺寸 | 基本负荷额定值 | 疲劳负荷限值 | 限制速度 | 体积 | 型号 | |||||
| 动态 | 静态 | |||||||||
| d | D | B | C | C | C0 | Pu | 用于轴公差h6 | |||
| mm | kN | kN | r/min | kg | - | |||||
| 42,862 | 85 | 41,5 | 22 | 33,2 | 21,6 | 0,915 | 4300 | 0,54 | YAT 209-111 | |
SKF YAT 209-111轴承尺寸图纸

