轴承专区
Bearings Center
231/850 CAK/W33 + OH 31/850 H轴承-SKF 231/850 CAK/W33 + OH 31/850 H轴承尺寸、图纸、价格
SKF 231/850 CAK/W33 + OH 31/850 H轴承
| 产品名称: | 231/850 CAK/W33 + OH 31/850 H轴承 | 品牌: | SKF |
|---|---|---|---|
| 类型: | SKF轴承 > 滚动轴承 > 球面滚子轴承 | ||
| 描述: | 231/850 CAK/W33 + OH 31/850 H轴承是【SKF轴承 > 滚动轴承 > 球面滚子轴承】的型号,主要用在飞机喷气式发动机、油泵、中型及大型电动机、机床主轴、铁路车辆车轴、石油钻机、燃机、制鞋、解体机、坦克等各大领域 | ||
电话/微信:138-8949-5179
SKF 231/850 CAK/W33 + OH 31/850 H轴承详细信息
231/850 CAK/W33 + OH 31/850 H轴承是【SKF轴承 > 滚动轴承 > 球面滚子轴承】的型号,主要用在飞机喷气式发动机、油泵、中型及大型电动机、机床主轴、铁路车辆车轴、石油钻机、燃机、制鞋、解体机、坦克等各大领域。
SKF 231/850 CAK/W33 + OH 31/850 H轴承详细参数
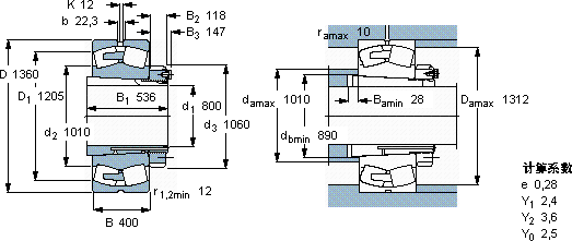
| 球面滚子轴承, 带紧定套的 | ||||||||||
| 主要数据尺寸 | 基本负荷额定值 | 疲劳负荷限值 | 额定速度 | 体积 | 型号 | |||||
| 动态 | 静态 | 参照速度 | 限制速度 | 轴承 + 紧定套 | ||||||
| d1 | D | B | C | C0 | Pu | |||||
| mm | kN | kN | r/min | kg | - | |||||
| 800 | 1360 | 400 | 16100 | 34500 | 2000 | 180 | 360 | 2800 | 231/850 CAK/W33 + OH 31/850 H | |
SKF 231/850 CAK/W33 + OH 31/850 H轴承尺寸图纸

