轴承专区
Bearings Center
353102 A轴承-SKF 353102 A轴承尺寸、图纸、价格
SKF 353102 A轴承
| 产品名称: | 353102 A轴承 | 品牌: | SKF |
|---|---|---|---|
| 类型: | SKF轴承 > 滚动轴承 > 圆锥滚子推力轴承 | ||
| 描述: | 353102 A轴承是【SKF轴承 > 滚动轴承 > 圆锥滚子推力轴承】的型号,主要用在后轮、小型汽车前轮、变速器、差速器、铁路车辆车轴、耕耘机、水力发电机、电子、地基处理机械、泥炮等各大领域 | ||
电话/微信:138-8949-5179
SKF 353102 A轴承详细信息
353102 A轴承是【SKF轴承 > 滚动轴承 > 圆锥滚子推力轴承】的型号,主要用在后轮、小型汽车前轮、变速器、差速器、铁路车辆车轴、耕耘机、水力发电机、电子、地基处理机械、泥炮等各大领域。
SKF 353102 A轴承详细参数
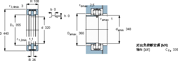
| 圆锥滚子推力轴承, 双向 | ||||||||
| 主要数据尺寸 | 基本负荷额定值 | 疲劳负荷限值 | 最小负荷系数 | 型号 | ||||
| 动态 | 静态 | |||||||
| d | D | H | C | C0 | Pu | |||
| mm | kN | kN | kg | - | ||||
| 320 | 440 | 108 | 990 | 5000 | 335 | 48,5 | 353102 A | |
SKF 353102 A轴承尺寸图纸

