李工:138-8949-5179 刘工:135-0428-8802
型号查询
轴承型号   常见搜索: 6004轴承 617轴承 6030轴承 6005轴承 6906轴承 6018轴承
型号查询 X

轴承专区

Bearings Center

316353 DD轴承-SKF 316353 DD轴承尺寸、图纸、价格

SKF 316353 DD轴承

产品名称:316353 DD轴承 品牌:SKF
类型:SKF轴承 > 滚动轴承 > 圆柱滚子轴承
描述:316353 DD轴承是【SKF轴承 > 滚动轴承 > 圆柱滚子轴承】的型号,主要用在仪表、高频马达、木工机械、前轮、减速装置、机床等的变速装置、碾煤机、饮料设备、工程船舶、厨具设备等各大领域

 电话/微信:138-8949-5179

SKF 316353 DD轴承详细信息

316353 DD轴承是【SKF轴承 > 滚动轴承 > 圆柱滚子轴承】的型号,主要用在仪表、高频马达、木工机械、前轮、减速装置、机床等的变速装置、碾煤机、饮料设备、工程船舶、厨具设备等各大领域。

SKF 316353 DD轴承详细参数

圆柱滚子轴承, 剖分式单列
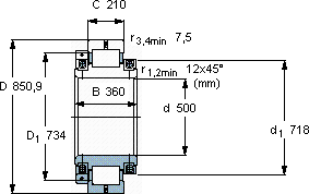
主要数据尺寸基本负荷额定值疲劳负荷限值径向内部游隙体积型号
动态静态
dDBCCC0Pu最小最大
mmkNkNmmkg-
500850,9360210501090006550,220,33850316353 DD

SKF 316353 DD轴承尺寸图纸

李工:138-8949-5179

刘工:135-0428-8802

地址:辽宁省大连经济技术开发区现代城3栋-13-13号

在线客服系统