轴承专区
Bearings Center
638/8-2Z轴承-SKF 638/8-2Z轴承尺寸、图纸、价格
SKF 638/8-2Z轴承
| 产品名称: | 638/8-2Z轴承 | 品牌: | SKF |
|---|---|---|---|
| 类型: | SKF轴承 > 滚动轴承 > 深沟球轴承 | ||
| 描述: | 638/8-2Z轴承是【SKF轴承 > 滚动轴承 > 深沟球轴承】的型号,主要用在通用电动机、差速器小齿轮轴、提升机、小齿轮轴、各类产业用减速机、机床主轴、轧钢机轧制螺杆用减速机、精细化工机械、混凝土机械、刮泥机等各大领域 | ||
电话/微信:138-8949-5179
SKF 638/8-2Z轴承详细信息
638/8-2Z轴承是【SKF轴承 > 滚动轴承 > 深沟球轴承】的型号,主要用在通用电动机、差速器小齿轮轴、提升机、小齿轮轴、各类产业用减速机、机床主轴、轧钢机轧制螺杆用减速机、精细化工机械、混凝土机械、刮泥机等各大领域。
SKF 638/8-2Z轴承详细参数
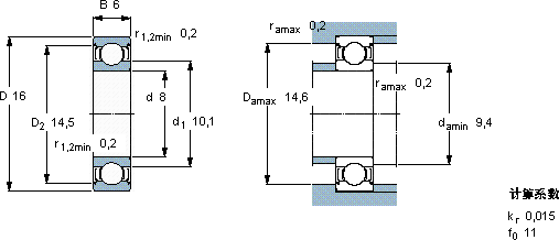
| 深沟球轴承, 单列, 两面防尘罩 | |||||||||||
| 主要数据尺寸 | 基本负荷额定值 | 疲劳负荷限值 | 额定速度 | 体积 | 型号 | ||||||
| 动态 | 静态 | 参照速度 | 限制速度 | ||||||||
| d | D | B | C | C0 | Pu | ||||||
| mm | kN | kN | r/min | kg | - | ||||||
| 8 | 16 | 6 | 1,33 | 0,57 | 0,024 | 90000 | 45000 | 0,0043 | 638/8-2Z | ||
SKF 638/8-2Z轴承尺寸图纸

