轴承专区
Bearings Center
16036轴承-SKF 16036轴承尺寸、图纸、价格
SKF 16036轴承
| 产品名称: | 16036轴承 | 品牌: | SKF |
|---|---|---|---|
| 类型: | SKF轴承 > 滚动轴承 > 深沟球轴承 | ||
| 描述: | 16036轴承是【SKF轴承 > 滚动轴承 > 深沟球轴承】的型号,主要用在各种产业机械、差速器小齿轮轴、挖土机履带轮、小齿轮轴、减速装置、机床主轴、发电厂、制鞋、挖掘机、雷达等各大领域 | ||
电话/微信:138-8949-5179
SKF 16036轴承详细信息
16036轴承是【SKF轴承 > 滚动轴承 > 深沟球轴承】的型号,主要用在各种产业机械、差速器小齿轮轴、挖土机履带轮、小齿轮轴、减速装置、机床主轴、发电厂、制鞋、挖掘机、雷达等各大领域。
SKF 16036轴承详细参数
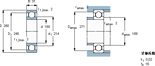
| 深沟球轴承, 单列, 无密封件 | |||||||||||
| 主要数据尺寸 | 基本负荷额定值 | 疲劳负荷限值 | 额定速度 | 体积 | 型号 | ||||||
| 动态 | 静态 | 参照速度 | 限制速度 | ||||||||
| d | D | B | C | C0 | Pu | ||||||
| mm | kN | kN | r/min | kg | - | ||||||
| 180 | 280 | 31 | 138 | 146 | 4,15 | 4800 | 4000 | 6,60 | 16036 | ||
SKF 16036轴承尺寸图纸

