轴承专区
Bearings Center
FBSA 210/ QBC轴承-SKF FBSA 210/ QBC轴承尺寸、图纸、价格
SKF FBSA 210/ QBC轴承
| 产品名称: | FBSA 210/ QBC轴承 | 品牌: | SKF |
|---|---|---|---|
| 类型: | SKF轴承 > 超高精密轴承 > Angular contact thrust ball bearings for screw drives | ||
| 描述: | FBSA 210/ QBC轴承是【SKF轴承 > 超高精密轴承 > Angular contact thrust ball bearings for screw drives】的型号,主要用在内燃机、空气压缩机、纺织机械传动轴、大型农业机械、振动筛、耕耘机、挤压机、塑料、平地机、数控设备等各大领域 | ||
电话/微信:138-8949-5179
SKF FBSA 210/ QBC轴承详细信息
FBSA 210/ QBC轴承是【SKF轴承 > 超高精密轴承 > Angular contact thrust ball bearings for screw drives】的型号,主要用在内燃机、空气压缩机、纺织机械传动轴、大型农业机械、振动筛、耕耘机、挤压机、塑料、平地机、数控设备等各大领域。
SKF FBSA 210/ QBC轴承详细参数
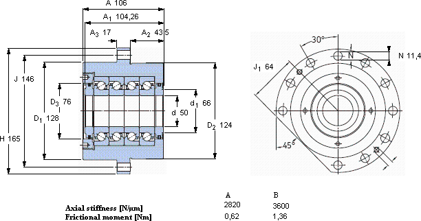
| 角接触推力球轴承 for screw drives, cartridge units with flanged housing | |||||||||||
| 主要数据尺寸 | 基本负荷额定值 | 疲劳负荷限值 | 可达到的速度 | 体积 | 型号 | ||||||
| 动态 | 静态 | 预压 | SKF | SNFA | |||||||
| A | B | ||||||||||
| d | D2 | A | C | C0 | Pu | ||||||
| mm | kN | kN | r/min | kg | - | ||||||
| 50 | 124 | 106 | 75,795 | 292 | 10,8 | 3000 | 1500 | 9,1 | FBSA 210/ QBC | BSQU 250 TDT | |
SKF FBSA 210/ QBC轴承尺寸图纸

