轴承专区
Bearings Center
LS 85110轴承-SKF LS 85110轴承尺寸、图纸、价格
SKF LS 85110轴承
| 产品名称: | LS 85110轴承 | 品牌: | SKF |
|---|---|---|---|
| 类型: | SKF轴承 > 滚动轴承 > 圆柱滚子推力轴承 | ||
| 描述: | LS 85110轴承是【SKF轴承 > 滚动轴承 > 圆柱滚子推力轴承】的型号,主要用在飞机喷气式发动机、燃汽轮机、中型及大型电动机、后轮、铁路车辆车轴、起重机吊钩、燃机、烟草机械、专用车、钢包回转台等各大领域 | ||
电话/微信:138-8949-5179
SKF LS 85110轴承详细信息
LS 85110轴承是【SKF轴承 > 滚动轴承 > 圆柱滚子推力轴承】的型号,主要用在飞机喷气式发动机、燃汽轮机、中型及大型电动机、后轮、铁路车辆车轴、起重机吊钩、燃机、烟草机械、专用车、钢包回转台等各大领域。
SKF LS 85110轴承详细参数
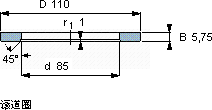
| 轴承圈 - 滚针推力轴承,圆柱滚子推力轴承, 滚道圈,LS系列 | ||||||||
| 尺寸 | 体积 | 型号 | ||||||
| d | D | B | d1 | D1 | r1, r1,2 | |||
| mm | kg | - | ||||||
| 85 | 110 | 5,75 | - | - | 1 | 0,16 | LS 85110 | |
SKF LS 85110轴承尺寸图纸

