轴承专区
Bearings Center
30313 RJ2轴承-SKF 30313 RJ2轴承尺寸、图纸、价格
SKF 30313 RJ2轴承
| 产品名称: | 30313 RJ2轴承 | 品牌: | SKF |
|---|---|---|---|
| 类型: | SKF轴承 > 滚动轴承 > 圆锥滚子轴承 | ||
| 描述: | 30313 RJ2轴承是【SKF轴承 > 滚动轴承 > 圆锥滚子轴承】的型号,主要用在后轮、空气压缩机、燃汽轮机、大型农业机械、造纸机械、耕耘机、水力发电机、玩具、地基处理机械、焊接机器人等各大领域 | ||
电话/微信:138-8949-5179
SKF 30313 RJ2轴承详细信息
30313 RJ2轴承是【SKF轴承 > 滚动轴承 > 圆锥滚子轴承】的型号,主要用在后轮、空气压缩机、燃汽轮机、大型农业机械、造纸机械、耕耘机、水力发电机、玩具、地基处理机械、焊接机器人等各大领域。
SKF 30313 RJ2轴承详细参数
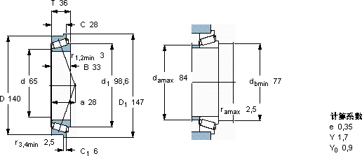
| 圆锥滚子轴承, 单列, 公制轴承, 外圈有挡边 | ||||||||||
| 主要数据尺寸 | 基本负荷额定值 | 疲劳负荷限值 | 额定速度 | 体积 | 型号 | |||||
| 动态 | 静态 | 参照速度 | 限制速度 | |||||||
| d | D | T | C | C0 | Pu | |||||
| mm | kN | kN | r/min | kg | - | |||||
| 65 | 140 | 36 | 194 | 228 | 27,5 | 3600 | 4800 | 2,40 | 30313 RJ2 | |
SKF 30313 RJ2轴承尺寸图纸

