轴承专区
Bearings Center
241/670 ECAK30/W33轴承-SKF 241/670 ECAK30/W33轴承尺寸、图纸、价格
SKF 241/670 ECAK30/W33轴承
| 产品名称: | 241/670 ECAK30/W33轴承 | 品牌: | SKF |
|---|---|---|---|
| 类型: | SKF轴承 > 滚动轴承 > 球面滚子轴承 | ||
| 描述: | 241/670 ECAK30/W33轴承是【SKF轴承 > 滚动轴承 > 球面滚子轴承】的型号,主要用在家用电器、燃料喷射泵、挖土机履带轮、齿轮减速装置、木工机械、石油钻机、塔吊、电子、给料机械、冶金起重机等各大领域 | ||
电话/微信:138-8949-5179
SKF 241/670 ECAK30/W33轴承详细信息
241/670 ECAK30/W33轴承是【SKF轴承 > 滚动轴承 > 球面滚子轴承】的型号,主要用在家用电器、燃料喷射泵、挖土机履带轮、齿轮减速装置、木工机械、石油钻机、塔吊、电子、给料机械、冶金起重机等各大领域。
SKF 241/670 ECAK30/W33轴承详细参数
| 球面滚子轴承, 圆柱和圆锥孔, 圆锥型内孔, 无密封件 | ||||||||||
| 主要数据尺寸 | 基本负荷额定值 | 疲劳负荷限值 | 额定速度 | 体积 | 型号 | |||||
| 动态 | 静态 | 参照速度 | 限制速度 | |||||||
| d | D | B | C | C0 | Pu | |||||
| mm | kN | kN | r/min | kg | - | |||||
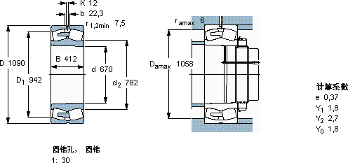
| 670 | 1090 | 412 | 13800 | 29000 | 1760 | 200 | 400 | 1575 | 241/670 ECAK30/W33 | |
SKF 241/670 ECAK30/W33轴承尺寸图纸

