轴承专区
Bearings Center
23034 CCK/W33 + H 3034 *轴承-SKF 23034 CCK/W33 + H 3034 *轴承尺寸、图纸、价格
SKF 23034 CCK/W33 + H 3034 *轴承
| 产品名称: | 23034 CCK/W33 + H 3034 *轴承 | 品牌: | SKF |
|---|---|---|---|
| 类型: | SKF轴承 > 滚动轴承 > 球面滚子轴承 | ||
| 描述: | 23034 CCK/W33 + H 3034 *轴承是【SKF轴承 > 滚动轴承 > 球面滚子轴承】的型号,主要用在各种产业机械、印刷机械、减速装置、轧钢机辊颈、破碎机、制铁制钢机械、发电厂、化纤机械、堆取料机、雷达等各大领域 | ||
电话/微信:138-8949-5179
SKF 23034 CCK/W33 + H 3034 *轴承详细信息
23034 CCK/W33 + H 3034 *轴承是【SKF轴承 > 滚动轴承 > 球面滚子轴承】的型号,主要用在各种产业机械、印刷机械、减速装置、轧钢机辊颈、破碎机、制铁制钢机械、发电厂、化纤机械、堆取料机、雷达等各大领域。
SKF 23034 CCK/W33 + H 3034 *轴承详细参数
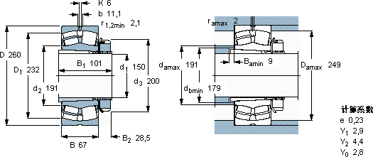
| 球面滚子轴承, 带紧定套的 | ||||||||||
| 主要数据尺寸 | 基本负荷额定值 | 疲劳负荷限值 | 额定速度 | 体积 | 型号 | |||||
| 动态 | 静态 | 参照速度 | 限制速度 | 轴承 + 紧定套 | ||||||
| d1 | D | B | C | C0 | Pu | |||||
| * - SKF Explorer 轴承 | ||||||||||
| mm | kN | kN | r/min | kg | - | |||||
| 150 | 260 | 67 | 710 | 1060 | 100 | 2200 | 2800 | 18,3 | 23034 CCK/W33 + H 3034 * | |
SKF 23034 CCK/W33 + H 3034 *轴承尺寸图纸

