轴承专区
Bearings Center
SYJ 45 TF轴承-SKF SYJ 45 TF轴承尺寸、图纸、价格
SKF SYJ 45 TF轴承
| 产品名称: | SYJ 45 TF轴承 | 品牌: | SKF |
|---|---|---|---|
| 类型: | SKF轴承 > 轴承单元 > Y-轴承座单元 | ||
| 描述: | SYJ 45 TF轴承是【SKF轴承 > 轴承单元 > Y-轴承座单元】的型号,主要用在各种产业机械、印刷机械、发电机、轧钢机辊颈、破碎机、石油钻机转环、发电厂、洗染、轻工机械、雷达等各大领域 | ||
电话/微信:138-8949-5179
SKF SYJ 45 TF轴承详细信息
SYJ 45 TF轴承是【SKF轴承 > 轴承单元 > Y-轴承座单元】的型号,主要用在各种产业机械、印刷机械、发电机、轧钢机辊颈、破碎机、石油钻机转环、发电厂、洗染、轻工机械、雷达等各大领域。
SKF SYJ 45 TF轴承详细参数
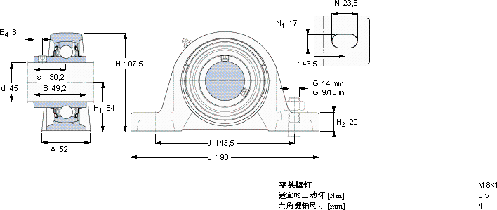
| Y-型立式轴承座单元, 铸造轴承座,平头螺钉锁紧定, 公制轴承 | ||||||||||||
| 尺寸 | 基本负荷额定值 | 限制速度 | 质量 | 型号 | ||||||||
| 动态 | 静态 | 轴承单元 | 轴承座 | 轴承 | ||||||||
| d | A | H | H1 | L | C | C0 | 带轴公差 h6 | |||||
| mm | kN | r/min | kg | - | ||||||||
| 45 | 52 | 107,5 | 54 | 190 | 33,2 | 21,6 | 4300 | 2,4 | SYJ 45 TF | SYJ 509 | YAR 209-2F | |
SKF SYJ 45 TF轴承尺寸图纸

