李工:138-8949-5179 刘工:135-0428-8802
型号查询
轴承型号   常见搜索: 6305轴承 6008轴承 *轴承 6214轴承 6004轴承 6906轴承
型号查询 X

轴承专区

Bearings Center

FYC 25 TF轴承-SKF FYC 25 TF轴承尺寸、图纸、价格

SKF FYC 25 TF轴承

产品名称:FYC 25 TF轴承 品牌:SKF
类型:SKF轴承 > 轴承单元 > Y-轴承法兰单元
描述:FYC 25 TF轴承是【SKF轴承 > 轴承单元 > Y-轴承法兰单元】的型号,主要用在后轮、油泵、挖土机履带轮、机床主轴、造纸机械、石油钻机、水力发电机、啤酒、给料机械、港口起重机等各大领域

 电话/微信:138-8949-5179

SKF FYC 25 TF轴承详细信息

FYC 25 TF轴承是【SKF轴承 > 轴承单元 > Y-轴承法兰单元】的型号,主要用在后轮、油泵、挖土机履带轮、机床主轴、造纸机械、石油钻机、水力发电机、啤酒、给料机械、港口起重机等各大领域。

SKF FYC 25 TF轴承详细参数

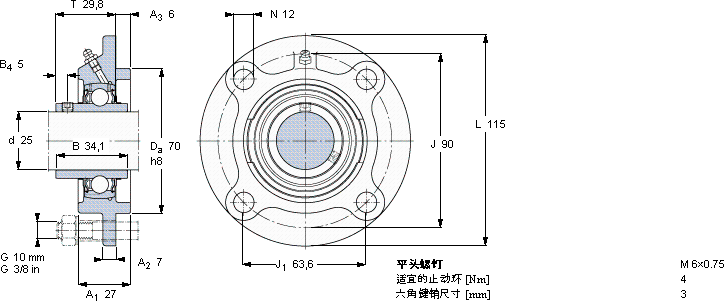
Y-型轴承带法兰单元, 圆形铸造轴承座,平头螺钉锁定
尺寸基本负荷额定值限制速度质量型号
动态静态轴承单元轴承座轴承
dA1JLTCC0带轴公差h6
mmkNr/minkg-
25279011529,8147,870000,93FYC 25 TFFYC 505YAR 205-2F

SKF FYC 25 TF轴承尺寸图纸

李工:138-8949-5179

刘工:135-0428-8802

地址:辽宁省大连经济技术开发区现代城3栋-13-13号

在线客服系统