轴承专区
Bearings Center
E2.6201-2Z/C3轴承-SKF E2.6201-2Z/C3轴承尺寸、图纸、价格
SKF E2.6201-2Z/C3轴承
| 产品名称: | E2.6201-2Z/C3轴承 | 品牌: | SKF |
|---|---|---|---|
| 类型: | SKF轴承 > 滚动轴承 > 深沟球轴承 | ||
| 描述: | E2.6201-2Z/C3轴承是【SKF轴承 > 滚动轴承 > 深沟球轴承】的型号,主要用在飞机喷气式发动机、机床主轴、桥式起重机、汽车、造纸机械、耕耘机、燃机、破碎、地基处理机械、坦克等各大领域 | ||
电话/微信:138-8949-5179
SKF E2.6201-2Z/C3轴承详细信息
E2.6201-2Z/C3轴承是【SKF轴承 > 滚动轴承 > 深沟球轴承】的型号,主要用在飞机喷气式发动机、机床主轴、桥式起重机、汽车、造纸机械、耕耘机、燃机、破碎、地基处理机械、坦克等各大领域。
SKF E2.6201-2Z/C3轴承详细参数
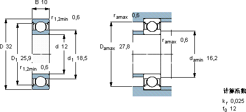
| 深沟球轴承, 单列, SKF Energy Efficient (E2) bearings | ||||||||||
| 主要数据尺寸 | 基本负荷额定值 | 疲劳负荷限值 | 额定速度 | 体积 | 型号 | |||||
| 动态 | 静态 | 参照速度 | 限制速度 | |||||||
| d | D | B | C | C0 | Pu | |||||
| mm | kN | kN | r/min | kg | - | |||||
| 12 | 32 | 10 | 7,02 | 3,1 | 0,132 | 55000 | 29000 | 0,037 | E2.6201-2Z/C3 | |
SKF E2.6201-2Z/C3轴承尺寸图纸

