轴承专区
Bearings Center
22215 E/W64 *轴承-SKF 22215 E/W64 *轴承尺寸、图纸、价格
SKF 22215 E/W64 *轴承
| 产品名称: | 22215 E/W64 *轴承 | 品牌: | SKF |
|---|---|---|---|
| 类型: | SKF轴承 > 滚动轴承 > 球面滚子轴承 | ||
| 描述: | 22215 E/W64 *轴承是【SKF轴承 > 滚动轴承 > 球面滚子轴承】的型号,主要用在后轮、小型汽车前轮、木工机械、差速器、铁路车辆车轴、汽车转向销、水力发电机、医药设备、掘进机、泥炮等各大领域 | ||
电话/微信:138-8949-5179
SKF 22215 E/W64 *轴承详细信息
22215 E/W64 *轴承是【SKF轴承 > 滚动轴承 > 球面滚子轴承】的型号,主要用在后轮、小型汽车前轮、木工机械、差速器、铁路车辆车轴、汽车转向销、水力发电机、医药设备、掘进机、泥炮等各大领域。
SKF 22215 E/W64 *轴承详细参数
| 球面滚子轴承, 圆柱型内孔,含Solid Oil, 圆柱型内孔 | |||||||||
| 主要数据尺寸 | 基本负荷额定值 | 疲劳负荷限值 | 限制速度 | 体积 | 型号 | ||||
| 动态 | 静态 | ||||||||
| d | D | B | C | C0 | Pu | * - SKF Explorer 轴承 | |||
| mm | kN | kN | r/min | kg | - | ||||
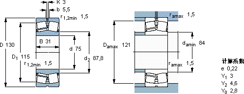
| 75 | 130 | 31 | 212 | 240 | 26,5 | 400 | 1,70 | 22215 E/W64 * | |
SKF 22215 E/W64 *轴承尺寸图纸

