轴承专区
Bearings Center
PF 40 TR轴承-SKF PF 40 TR轴承尺寸、图纸、价格
SKF PF 40 TR轴承
| 产品名称: | PF 40 TR轴承 | 品牌: | SKF |
|---|---|---|---|
| 类型: | SKF轴承 > 轴承单元 > Y-轴承法兰单元 | ||
| 描述: | PF 40 TR轴承是【SKF轴承 > 轴承单元 > Y-轴承法兰单元】的型号,主要用在飞机喷气式发动机、油泵、变速器、机床主轴、造纸机械、起重机吊钩、燃机、钟表、专用车、坦克等各大领域 | ||
电话/微信:138-8949-5179
SKF PF 40 TR轴承详细信息
PF 40 TR轴承是【SKF轴承 > 轴承单元 > Y-轴承法兰单元】的型号,主要用在飞机喷气式发动机、油泵、变速器、机床主轴、造纸机械、起重机吊钩、燃机、钟表、专用车、坦克等各大领域。
SKF PF 40 TR轴承详细参数
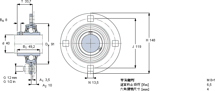
| Y-型轴承带法兰单元, 冲压钢轴承座,平头螺钉锁定, 带一个圆形法兰和三或四个螺栓孔, 公制轴承 | ||||||||||||
| 尺寸 | 基本负荷额定值 | 可允许住 | 质量 | 轴承单元 | 定购代号 | |||||||
| 动态 | 静态 | 房装载 | 轴承 | 轴承座 | 轴承 | |||||||
| d | Da | H | J | T | C | C0 | 径向 | 单元 | ||||
| mm | kN | kN | kg | - | ||||||||
| 40 | 91 | 148 | 119 | 33,7 | 30,7 | 19 | 7,5 | 1,30 | PF 40 TR | PF 80 | YAR 208-2RF | |
SKF PF 40 TR轴承尺寸图纸

