李工:138-8949-5179 刘工:135-0428-8802
型号查询
轴承型号   常见搜索: 6011轴承 6309轴承 6024轴承 2025轴承 6002轴承 6004轴承
型号查询 X

轴承专区

Bearings Center

FY 2.1/4 WF轴承-SKF FY 2.1/4 WF轴承尺寸、图纸、价格

SKF FY 2.1/4 WF轴承

产品名称:FY 2.1/4 WF轴承 品牌:SKF
类型:SKF轴承 > 轴承单元 > Y-轴承法兰单元
描述:FY 2.1/4 WF轴承是【SKF轴承 > 轴承单元 > Y-轴承法兰单元】的型号,主要用在变速器、差速器小齿轮轴、提升机、小齿轮轴、各类产业用减速机、机床等的变速装置、立式电动机、塑料、压路机、吹氧装置等各大领域

 电话/微信:138-8949-5179

SKF FY 2.1/4 WF轴承详细信息

FY 2.1/4 WF轴承是【SKF轴承 > 轴承单元 > Y-轴承法兰单元】的型号,主要用在变速器、差速器小齿轮轴、提升机、小齿轮轴、各类产业用减速机、机床等的变速装置、立式电动机、塑料、压路机、吹氧装置等各大领域。

SKF FY 2.1/4 WF轴承详细参数

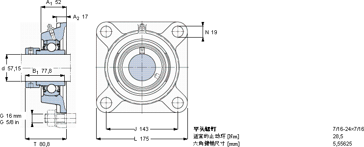
Y-型轴承带法兰单元, 方形铸造轴承座,偏心锁定轴环, 英制轴承
尺寸基本负荷额定值限制速度质量型号
动态静态轴承单元轴承座轴承
dA1JLTCC0带轴公差h6
mmkNr/minkg-
57,155214317580,852,73634005,3FY 2.1/4 WFFY 512 UYEL 212-204-2F

SKF FY 2.1/4 WF轴承尺寸图纸

李工:138-8949-5179

刘工:135-0428-8802

地址:辽宁省大连经济技术开发区现代城3栋-13-13号

在线客服系统