轴承专区
Bearings Center
16034轴承-SKF 16034轴承尺寸、图纸、价格
SKF 16034轴承
| 产品名称: | 16034轴承 | 品牌: | SKF |
|---|---|---|---|
| 类型: | SKF轴承 > 滚动轴承 > 深沟球轴承 | ||
| 描述: | 16034轴承是【SKF轴承 > 滚动轴承 > 深沟球轴承】的型号,主要用在仪表、印刷机械、发电机、轧钢机辊颈、破碎机、制铁制钢机械、碾煤机、玩具、起重机械、钢包回转台等各大领域 | ||
电话/微信:138-8949-5179
SKF 16034轴承详细信息
16034轴承是【SKF轴承 > 滚动轴承 > 深沟球轴承】的型号,主要用在仪表、印刷机械、发电机、轧钢机辊颈、破碎机、制铁制钢机械、碾煤机、玩具、起重机械、钢包回转台等各大领域。
SKF 16034轴承详细参数
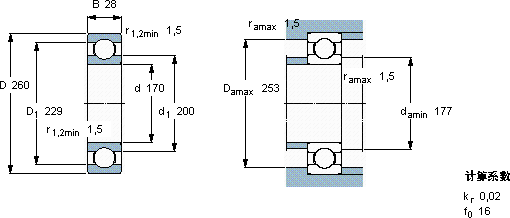
| 深沟球轴承, 单列, 无密封件 | |||||||||||
| 主要数据尺寸 | 基本负荷额定值 | 疲劳负荷限值 | 额定速度 | 体积 | 型号 | ||||||
| 动态 | 静态 | 参照速度 | 限制速度 | ||||||||
| d | D | B | C | C0 | Pu | ||||||
| mm | kN | kN | r/min | kg | - | ||||||
| 170 | 260 | 28 | 119 | 129 | 3,75 | 5300 | 3200 | 5,00 | 16034 | ||
SKF 16034轴承尺寸图纸

