轴承专区
Bearings Center
62200-2RS1轴承-SKF 62200-2RS1轴承尺寸、图纸、价格
SKF 62200-2RS1轴承
| 产品名称: | 62200-2RS1轴承 | 品牌: | SKF |
|---|---|---|---|
| 类型: | SKF轴承 > 滚动轴承 > 深沟球轴承 | ||
| 描述: | 62200-2RS1轴承是【SKF轴承 > 滚动轴承 > 深沟球轴承】的型号,主要用在电气装置部件、燃汽轮机、纺织机械传动轴、后轮、木工机械、起重机吊钩、船舶用螺旋桨轴、塑料、专用车、风力发电设备等各大领域 | ||
电话/微信:138-8949-5179
SKF 62200-2RS1轴承详细信息
62200-2RS1轴承是【SKF轴承 > 滚动轴承 > 深沟球轴承】的型号,主要用在电气装置部件、燃汽轮机、纺织机械传动轴、后轮、木工机械、起重机吊钩、船舶用螺旋桨轴、塑料、专用车、风力发电设备等各大领域。
SKF 62200-2RS1轴承详细参数
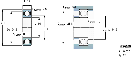
| 深沟球轴承, 单列, 两面密封件 | |||||||||||
| 主要数据尺寸 | 基本负荷额定值 | 疲劳负荷限值 | 额定速度 | 体积 | 型号 | ||||||
| 动态 | 静态 | 参照速度 | 限制速度 | ||||||||
| d | D | B | C | C0 | Pu | ||||||
| mm | kN | kN | r/min | kg | - | ||||||
| 10 | 30 | 14 | 5,07 | 2,36 | 0,1 | - | 17000 | 0,04 | 62200-2RS1 | ||
SKF 62200-2RS1轴承尺寸图纸

