轴承专区
Bearings Center
SIQG 20 ES轴承-SKF SIQG 20 ES轴承尺寸、图纸、价格
SKF SIQG 20 ES轴承
| 产品名称: | SIQG 20 ES轴承 | 品牌: | SKF |
|---|---|---|---|
| 类型: | SKF轴承 > 球面滑动轴承和杆端关节轴承 > 需维护的杆端关节轴承 | ||
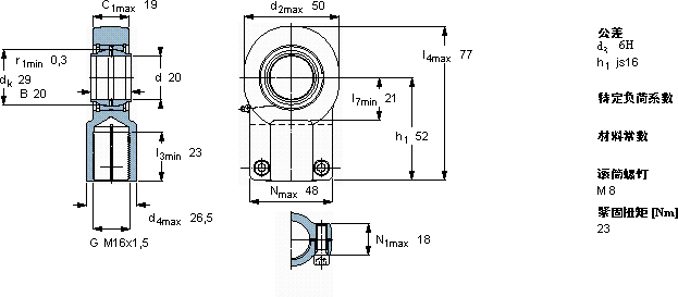
| 描述: | SIQG 20 ES轴承是【SKF轴承 > 球面滑动轴承和杆端关节轴承 > 需维护的杆端关节轴承】的型号,主要用在燃汽轮机、各类变速器、发电机、铁路车辆、印刷机械、机床等的变速装置、电机厂、陶瓷机械、压路机、抓钢机等各大领域 | ||
电话/微信:138-8949-5179
SKF SIQG 20 ES轴承详细信息
SIQG 20 ES轴承是【SKF轴承 > 球面滑动轴承和杆端关节轴承 > 需维护的杆端关节轴承】的型号,主要用在燃汽轮机、各类变速器、发电机、铁路车辆、印刷机械、机床等的变速装置、电机厂、陶瓷机械、压路机、抓钢机等各大领域。
SKF SIQG 20 ES轴承详细参数
| 需要维护的杆端, 钢对钢,阴螺纹,用于液压滚筒 | |||||||||||
| 主要数据尺寸 | 角度倾的 | 基本负荷额定值 | 质量 | 型号 | |||||||
| 动态 | 静态 | 杆端带右旋螺纹 | |||||||||
| d | d2 | B | d3 | C1 | h1 | ± | C | C0 | |||
| 6H | |||||||||||
| mm | 度数 | kN | kg | - | |||||||
| 20 | 50 | 20 | M16x1,5 | 19 | 52 | 4 | 30 | 43 | 0,35 | SIQG 20 ES | |
SKF SIQG 20 ES轴承尺寸图纸

