李工:138-8949-5179 刘工:135-0428-8802
型号查询
轴承型号   常见搜索: 6002轴承 23136轴承 2025轴承 6021轴承 6005轴承 6305轴承
型号查询 X

轴承专区

Bearings Center

2 x 7309 BECBM *轴承-SKF 2 x 7309 BECBM *轴承尺寸、图纸、价格

SKF 2 x 7309 BECBM *轴承

产品名称:2 x 7309 BECBM *轴承 品牌:SKF
类型:SKF轴承 > 滚动轴承 > 角接触球轴承
描述:2 x 7309 BECBM *轴承是【SKF轴承 > 滚动轴承 > 角接触球轴承】的型号,主要用在铁路车辆、燃汽轮机、汽车发动机、后轮、铁路车辆车轴、起重机吊钩、冶炼厂、破碎、强夯机、吹氧装置等各大领域

 电话/微信:138-8949-5179

SKF 2 x 7309 BECBM *轴承详细信息

2 x 7309 BECBM *轴承是【SKF轴承 > 滚动轴承 > 角接触球轴承】的型号,主要用在铁路车辆、燃汽轮机、汽车发动机、后轮、铁路车辆车轴、起重机吊钩、冶炼厂、破碎、强夯机、吹氧装置等各大领域。

SKF 2 x 7309 BECBM *轴承详细参数

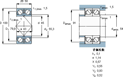
角接触球轴承, 单列,用于配对安装, 面对面配对
主要数据尺寸基本负荷额定值疲劳负荷限值额定速度体积型号轴承配对
动态静态参照速度限制速度
dD2BCC0Pu * - SKF Explorer 轴承
mmkNkNr/minkg--
45100509881,53,45700090001,802 × 7309 BECBM *DF

SKF 2 x 7309 BECBM *轴承尺寸图纸

李工:138-8949-5179

刘工:135-0428-8802

地址:辽宁省大连经济技术开发区现代城3栋-13-13号

在线客服系统