轴承专区
Bearings Center
1205 EKTN9轴承-SKF 1205 EKTN9轴承尺寸、图纸、价格
SKF 1205 EKTN9轴承
| 产品名称: | 1205 EKTN9轴承 | 品牌: | SKF |
|---|---|---|---|
| 类型: | SKF轴承 > 滚动轴承 > 自调心球轴承 | ||
| 描述: | 1205 EKTN9轴承是【SKF轴承 > 滚动轴承 > 自调心球轴承】的型号,主要用在后轮、空气压缩机、燃汽轮机、大型农业机械、铁路车辆车轴、耕耘机、水力发电机、钟表、地基处理机械、焊接机器人等各大领域 | ||
电话/微信:138-8949-5179
SKF 1205 EKTN9轴承详细信息
1205 EKTN9轴承是【SKF轴承 > 滚动轴承 > 自调心球轴承】的型号,主要用在后轮、空气压缩机、燃汽轮机、大型农业机械、铁路车辆车轴、耕耘机、水力发电机、钟表、地基处理机械、焊接机器人等各大领域。
SKF 1205 EKTN9轴承详细参数
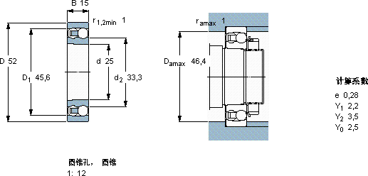
| 自调心球轴承, 圆柱孔和圆锥孔, 圆锥型内孔, 无密封件 | ||||||||||
| 主要数据尺寸 | 基本负荷额定值 | 疲劳负荷限值 | 额定速度 | 体积 | 型号 | |||||
| 动态 | 静态 | 参照速度 | 限制速度 | |||||||
| d | D | B | C | C0 | Pu | |||||
| mm | kN | kN | r/min | kg | - | |||||
| 25 | 52 | 15 | 14,3 | 4 | 0,21 | 28000 | 18000 | 0,14 | 1205 EKTN9 | |
SKF 1205 EKTN9轴承尺寸图纸

