轴承专区
Bearings Center
BCSB 320806轴承-SKF BCSB 320806轴承尺寸、图纸、价格
SKF BCSB 320806轴承
| 产品名称: | BCSB 320806轴承 | 品牌: | SKF |
|---|---|---|---|
| 类型: | SKF轴承 > 滚动轴承 > 圆柱滚子轴承 | ||
| 描述: | BCSB 320806轴承是【SKF轴承 > 滚动轴承 > 圆柱滚子轴承】的型号,主要用在各种产业机械、罗茨鼓风机、汽车发动机、建筑机械、印刷机械、制铁制钢机械、发电厂、化纤机械、堆取料机、冶金起重机等各大领域 | ||
电话/微信:138-8949-5179
SKF BCSB 320806轴承详细信息
BCSB 320806轴承是【SKF轴承 > 滚动轴承 > 圆柱滚子轴承】的型号,主要用在各种产业机械、罗茨鼓风机、汽车发动机、建筑机械、印刷机械、制铁制钢机械、发电厂、化纤机械、堆取料机、冶金起重机等各大领域。
SKF BCSB 320806轴承详细参数
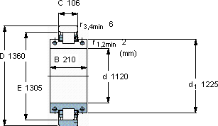
| 圆柱滚子轴承, 剖分式单列 | |||||||||||
| 主要数据尺寸 | 基本负荷额定值 | 疲劳负荷限值 | 径向内部游隙 | 体积 | 型号 | ||||||
| 动态 | 静态 | ||||||||||
| d | D | B | C | C | C0 | Pu | 最小 | 最大 | |||
| mm | kN | kN | mm | kg | - | ||||||
| 1120 | 1360 | 210 | 106 | 3140 | 7650 | 455 | 0,35 | 0,65 | 470 | BCSB 320806 | |
SKF BCSB 320806轴承尺寸图纸

