轴承专区
Bearings Center
QJ 206 N2MA *轴承-SKF QJ 206 N2MA *轴承尺寸、图纸、价格
SKF QJ 206 N2MA *轴承
| 产品名称: | QJ 206 N2MA *轴承 | 品牌: | SKF |
|---|---|---|---|
| 类型: | SKF轴承 > 滚动轴承 > 角接触球轴承 | ||
| 描述: | QJ 206 N2MA *轴承是【SKF轴承 > 滚动轴承 > 角接触球轴承】的型号,主要用在飞机喷气式发动机、空气压缩机、燃汽轮机、大型农业机械、振动筛、汽车转向销、燃机、化纤机械、土方机械、钢包回转台等各大领域 | ||
电话/微信:138-8949-5179
SKF QJ 206 N2MA *轴承详细信息
QJ 206 N2MA *轴承是【SKF轴承 > 滚动轴承 > 角接触球轴承】的型号,主要用在飞机喷气式发动机、空气压缩机、燃汽轮机、大型农业机械、振动筛、汽车转向销、燃机、化纤机械、土方机械、钢包回转台等各大领域。
SKF QJ 206 N2MA *轴承详细参数
| 角接触球轴承, 四点接触球轴承 | ||||||||||
| 主要数据尺寸 | 基本负荷额定值 | 疲劳负荷限值 | 额定速度 | 体积 | 型号 | |||||
| 动态 | 静态 | 参照速度 | 限制速度 | |||||||
| d | D | B | C | C0 | Pu | * - SKF Explorer 轴承 | ||||
| mm | kN | kN | r/min | kg | - | |||||
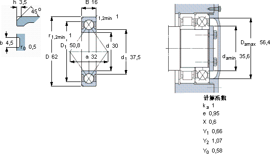
| 30 | 62 | 16 | 37,5 | 30,5 | 1,29 | 14000 | 19000 | 0,24 | QJ 206 N2MA * | |
SKF QJ 206 N2MA *轴承尺寸图纸

