轴承专区
Bearings Center
6208/VA201轴承-SKF 6208/VA201轴承尺寸、图纸、价格
SKF 6208/VA201轴承
| 产品名称: | 6208/VA201轴承 | 品牌: | SKF |
|---|---|---|---|
| 类型: | SKF轴承 > 滚动轴承 > 深沟球轴承 | ||
| 描述: | 6208/VA201轴承是【SKF轴承 > 滚动轴承 > 深沟球轴承】的型号,主要用在铁路车辆、油泵、发电机、机床主轴、振动筛、石油钻机、冶炼厂、纺织、解体机、机械手等各大领域 | ||
电话/微信:138-8949-5179
SKF 6208/VA201轴承详细信息
6208/VA201轴承是【SKF轴承 > 滚动轴承 > 深沟球轴承】的型号,主要用在铁路车辆、油泵、发电机、机床主轴、振动筛、石油钻机、冶炼厂、纺织、解体机、机械手等各大领域。
SKF 6208/VA201轴承详细参数
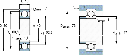
| 深沟球轴承, 用于高温的深沟球轴承, 无密封件 | ||||||||
| 主要数据尺寸 | 基本负荷额定值 | 径向内部游隙 | 体积 | 型号 | ||||
| 静态 | ||||||||
| d | D | B | C0 | 最小 | 最大 | |||
| mm | kN | μm | kg | - | ||||
| 40 | 80 | 18 | 19 | 160 | 256 | 0,37 | 6208/VA201 | |
SKF 6208/VA201轴承尺寸图纸

